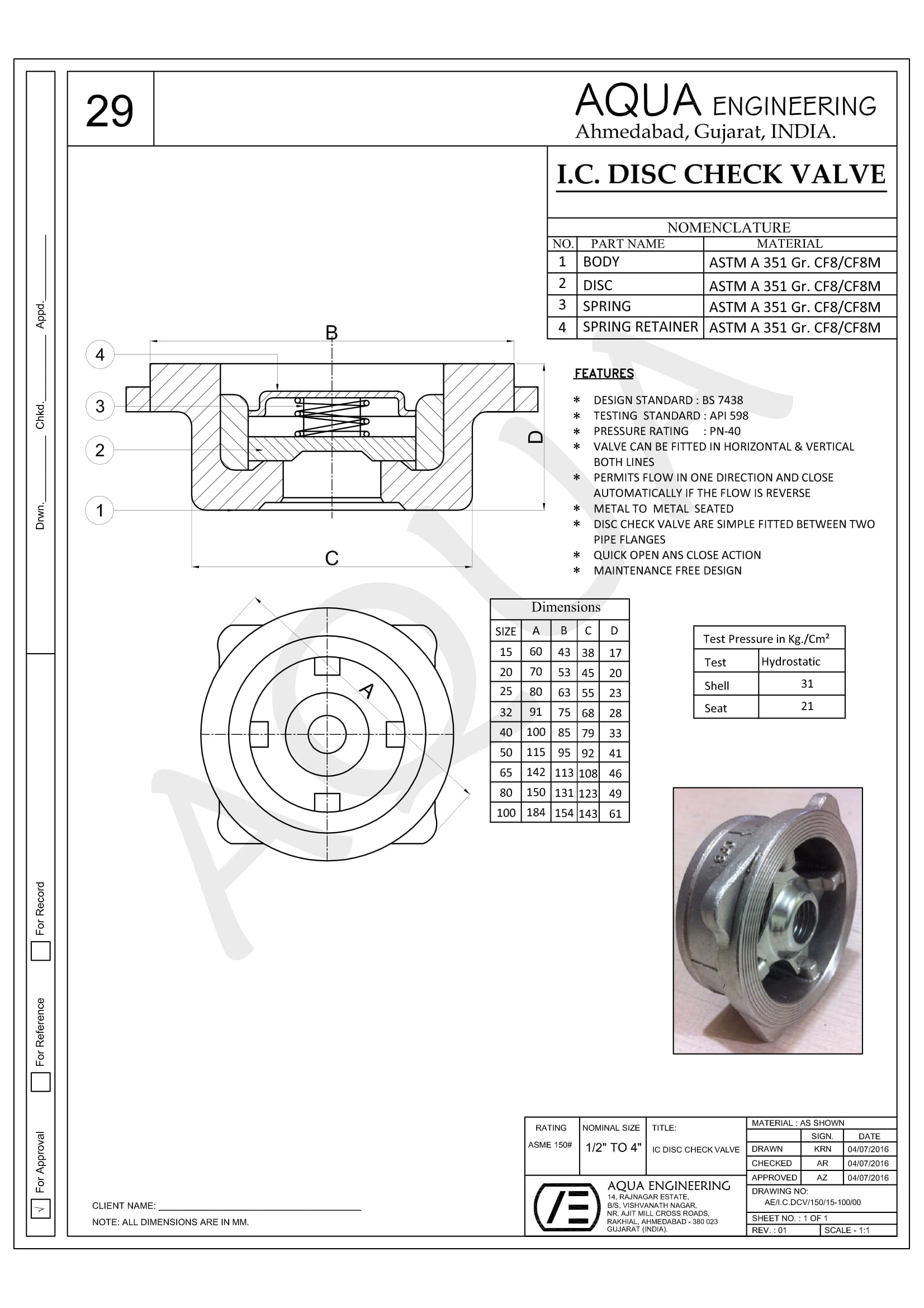
Non Return Valves
| c.s / s.s | Forged Carbon Steel |
|---|---|
| Rating 150# 300# Size 2 “to 24” |
Rating 800# size 1/2 “to 2” |
We offer a wide range of cast steel, swing type & lift type non return valves that are available in sizes from 2″ to 24″ (50 mm to 600 mm) and in design & manufacturing standards as per API 6D / ANSI B 16.34. These non return valves also meet the pressure Test Standard of API 598.
Non Return Valve Avaliable in :
- Lift Up- Rating – ND-40 ,150#
- Swing type
Applications : Water, Steam, Oil , Chemicals etc.
According to Standards : BS 5352 / BS 6755 / BS 1868 / ASME B 16.34 /API 6D / API 598 / API 603
Size : 2” TO 24”
Materials:
WCB, WC6, WC9 CF8, CF8M, CF3, CF3M, LCB, LCC, Hastelloy, Hastelloy C, Duplex, Monel, and others
